česky english Vítejte, dnes je pondělí 15. prosinec 2025

Jak se vypořádat s omezením u zvyšujících měničů

DPS 1/2023 | Články
Autor: Frederik Dostal, Analog Devices
uvod.png

Článek vysvětluje omezení, která jsou pro zvyšující topologii vlastní, a ukazuje, jak se s nimi vypořádat. Při návrhu a testování zvyšujících měničů se občas nedostaneme k plánovanému výstupnímu napětí. Místo toho obdržíme nižší hodnotu, než jsme požadovali.

Zvyšující měniče nám slouží k výrobě vyšších výstupních napětí s využitím nízkého vstupního napětí. Takovou konverzi napájení může jednoduše zajistit spínaný regulátor se zvyšující topologií. Napěťový zisk však bude mít svůj přirozený limit. Zisk zde přitom představuje poměr výstupního napětí ke vstupnímu. Budeme-li tedy 24 V generovat z 12 V, obdržíme napěťový zisk rovný dvěma.

Jako příklad si uveďme průmyslovou aplikaci, ve které z napájecího napětí 24 V vyrábíme 300 V. Uvažujeme zde přitom výstupní proud o velikosti 160 mA. Při vyjádření nám rovněž pomůže střída:

Klíčovými parametry zvyšujícího měniče jsou tedy střída a napěťový zisk. Střídou pak odkazujeme na množství času, kdy je v každém cyklu spínač S sepnutý. Napěťový zisk poté signalizuje, nakolik nám výstup překračuje vstupní napětí. Abychom tedy vyrobili vyšší napětí, bude se střída zvyšovat až na hodnoty blízké číslu jedna, ovšem jedničky zde nikdy nedosáhne.

Pokud si vybereme zvyšující měnič s vysokou maximální střídou, může se zdát, že pak lze vyšší napětí na výstupu vyrábět i z malého napájecího napětí. Nenechte se ale zmást, půjde zde o víc. Kromě limitů spojených se střídou zde totiž musíme brát v úvahu i nejvyšší možný napěťový zisk.

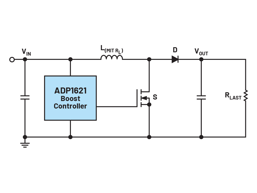
Napěťový zisk nám popisuje maximální možné výstupní napětí zvyšujícího měniče ve vztahu k dostupnému napětí na vstupu. Takové omezení si můžeme u zvyšujícího měniče představit následujícím způsobem: při zvyšování musí být veškerá energie přenášená ze vstupní strany na výstup nejprve dočasně uložena. Během fáze „on“, tedy když je spínač S na obr. 1 sepnutý, bude energie přechodně uložena v indukčnosti L. V tuto dobu pak dioda D na stejném obrázku blokuje průchod proudu.

Obr. 1  Zapojení zvyšujícího měniče

Během fáze „off“ bude dočasně uložená energie z indukčnosti L odčerpána. Jak nabíjení, tak i vybíjení induktoru musí respektovat pravidla takovéto součástky. Průtok proudu je v každém případě podmíněn hodnotou indukčnosti a také příslušným rozdílem napětí na daném prvku. Napětí na indukčnosti lze jednoduše popsat jako VIN po dobu nabíjení a VOUT minus VIN během fáze „off“.

U vysokého napěťového zisku nemusí být doba „off“ dostatečně dlouhá k tomu, aby se mohla získat dočasně uložená energie v indukčnosti. Zjednodušený vzorec popisující střídu dle rovnice 1 ovšem s takovým omezením nepočítá. Ve výrazu pro maximální napěťový zisk je proto nutné počítat i se stejnosměrným odporem (DCR) indukčnosti a také odporem zátěže – viz rovnice 2.

Poměr mezi RL a RLOAD nám proto ovlivňuje poměr mezi možným napětím na vstupu i výstupu, a tudíž i napěťový zisk u zvyšujícího měniče. Zmíněný napěťový zisk lze vyjádřit i graficky. Na obr. 2 je zachycen příklad zdroje se vstupním napětím 24 V a výstupním napětím 300 V při 160 mA a zatěžovacím odporu o velikosti 1,8 kΩ, resp. RL indukčnosti (což je DCR) na úrovni 3 Ω.

Za této situace je dle obr. 2 možné dosáhnout napěťového zisku přibližně 12,5 (odvozeno s využitím rovnice 2). Pokud se ovšem zatěžovací odpor sníží, tzn. výstupní proud poroste nebo se zase bude zvyšovat DCR (RL) u indukčnosti, tzn. že se velikost indukčnosti snižuje, nebude možné dále udržet požadovaný napěťový zisk.

Obr. 2  Možný napěťový zisk, bude-li zatěžovací odpor 600× větší než odpor DCR (RL) u indukčnosti

Na obr. 3 nyní sledujeme průběh napěťového zesílení v případě, bude-li poměr mezi zatěžovacím odporem a odporem indukčnosti dosahovat tří set. V takovém případě činí RL 6 Ω a odpor zátěže pak 1,8 kΩ. Ze stejného obrázku zároveň vyplývá, že aktuálně dostaneme nejvyšší napěťový zisk rovný jen devíti. Konverze vstupního napětí 24 V na 300V výstup není proto možná. Zvolený odpor DCR nebo RL jsou pro indukčnost již příliš vysoké.

Obr. 3  Možný napěťový zisk, bude-li zatěžovací odpor 300× větší než odpor DCR u indukčnosti

Co říci závěrem?

Návrh obvodu se zvyšující topologií musí pokaždé zahrnovat stanovení nejvyššího možného napěťového zisku. A co je zajímavé, bude to podmíněno zatěžovacím odporem, tedy výstupním proudem, a také odporem DCR u indukčnosti. Pokud vyjde najevo, že požadovaný napěťový zisk není možné realizovat, bude možné zvolit větší indukčnost s nižším odporem DCR.

www.analog.com