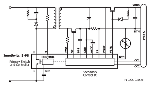
Ve společnosti Power Integrations nedávno představili rodinu integrovaných obvodů InnoSwitch™3-PD navržených pro adaptéry s rozhraním USB Type-C, USB Power Delivery (PD) a USB Programmable Power Supply (PPS). Kompaktní řešení v pouzdrech typu InSOP™-24D zde přitom zahrnuje USB-C a PD kontrolér, vysokonapěťový spínač PowiGaN™, vícemódový kontrolér pro kvazirezonanční zdroje typu flyback, snímání na sekundární straně, číslicově řešenou zpětnou vazbu s oddělením FluxLink™ a v neposlední řadě též i buzení pro vnější SR FET.
Díky vlastní spotřebě bez jakéhokoli zatížení na úrovni 14 mW mohou takové návrhy zdroje napájení s obvody InnoSwitch3-PD vyhovět veškerým regulacím zohledňujícím energetickou účinnost. Součástka se navíc vyznačuje nízkými ztrátami, takže se dokážeme rovněž obejít bez rozměrných chladičů. Nad rychlou a zároveň přesnou stabilizací podmínek na sekundární straně zase bdí vysokorychlostní komunikační linka – zpětná vazba řešená přes FluxLink™ (ilustrace: Business Wire).

Více informací najdete v celé zprávě Power Integrations Introduces the InnoSwitch3-PD Family of Flyback Switcher ICs with Built-In USB PD Controller.
robenek@dps-az.cz