česky english Vítejte, dnes je čtvrtek 16. duben 2026

Čtyři klíčová měření v pouzdrech 4×4 mm. Teplota jako bonus

06.04. 2026 | Články
Autor: Jan Robenek
00_ilustr.jpg

Někdy stačí změřit jenom proudy, zatímco jindy přidáme i napětí nebo vše rovnou doplníme o výkony, případně též energii. Co kdyby všechny zmíněné funkce zastal s dostatečnou přesností plně digitální integrovaný obvod, navržený speciálně ke sledování velikosti proudu a také doprovodnému monitorování celého systému za přispění rozhraní PMBus® 1.3?

 

Jeden takový by se měl začít každou chvíli sériově vyrábět [1]. Bude mít dvacet čtyři vývodů, ponese logo firmy Infineon Technologies a na desce plošných spojů si řekne pouze o 4×4 mm. Pravda, jeho podstata je sice číslicová, což ale v žádném případě nebrání dodatečnému zpracování výstupů i v analogové rovině.

 

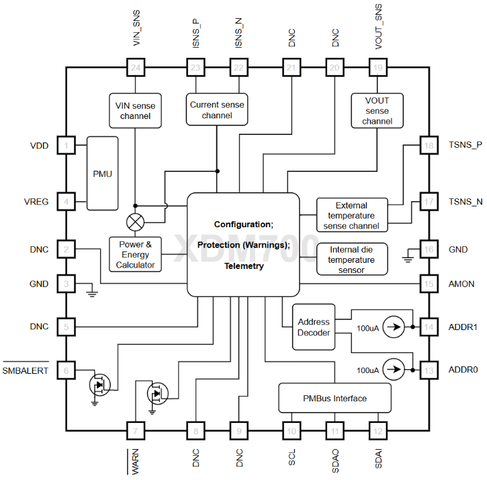
Měří, sleduje a dává vědět

Integrovaná novinka z března letošního roku (na webu DPS Elektronika od A do Z jsme informovali v [2]) nese označení XDM700-1, celým jménem pak „Fully digital current sensing and system monitoring IC with PMBus®“ a příznačná jsou pro ni standardní pouzdra typu VQFN-24, stejně jako předpoklady pro složitější průmyslové aplikace dle JEDEC47/20/22. Uplatnění najde v datových centrech či serverech s umělou inteligencí, 48V telekomunikační technice, robotice, u routerů nebo switchů, obecně v systémech pro distribuci a řízení napájení, ve zdrojích, třeba i s obnovitelným přísunem energie, apod.

 

c012-01 (jpg)

 

Monitorovací součástka počítá s měřením proudu, kterému do cesty postavíme vhodný shunt rezistor, a to jak na vyšší, tak i nižší straně napájení. Vstupní napěťový rozsah prvku je skutečně široký a pokrývá oblast od 5 V až do 80 V. A to po dobu 500 ms polovodič snese ještě o dvacet voltů více. Tomu budou při sledování napětí odpovídat i meze 22 V, 44 V či 88 V, které pokaždé vztahujeme k nule. Vedle proudu, pro který výrobce rozdílově definuje čtyři stavitelné rozsahy s úbytkem napětí 12,5 mV, 25 mV, 50 mV nebo též 100 mV, a také nepřetržitého dozoru, pokud jde o vstupní či výstupní napětí, lze dále počítat i s výkony, včetně energií. A samozřejmě také teplotou, kterou sledujeme buď přímo na čipu s vlastním senzorem, nebo si sami zvolíme vnější čidlo, řešené formou bipolárního tranzistoru NPN.

 

c012-02 (png)

 

Poplatně dělenému analogově – číslicovému převodu, zvlášť pro napětí a také proudy s 12bitovým rozlišením a výsledky za 102 μs, dokáže součástka sledovat a dále informovat o velikosti vstupního, resp. výstupního napětí s přesností ≤0,4 %. Při monitorování proudu se firma Infineon zase dostává k ≤0,5 %, platným pro oba vyšší rozsahy, resp. se za předpokladu 12,5 mV / 25 mV stále vejdeme do jednoho procenta. S výkony bude na vstupu spojena nejistota ≤1,5 %, zatímco energie již máme stiženy procenty třemi. Údaje jsou vždy souměrné a vychází pro ilustraci z aktuálně dostupné dokumentace výrobce [3]. V ostatních materiálech se uváděné hodnoty mohou lišit. Napětí či proudy průměrujeme pro vyloučení náhodného šumu nebo krátkodobých výkyvů nanejvýš na základě 128 vzorků, kterých ale může být v případě výkonu až 32 768.

 

Souhra obou světů

Číslicové rozhraní PMBus®, pracující až na 1 MHz, jsme zmiňovali výše. Jenže svět je z principu stále analogový, takže nové integrované obvody XDM700-1 ještě přidaly možnost dodatečného spojitého zpracování jimi zjištěné informace. Proud, který máme nyní úměrný velikosti zatěžovacího odběru (IMON), ale třeba též úrovni vstupního výkonu (zde jako PMON), zprostředkuje vývod AMON. Dlužno však dodat, že přesnost signálu může v krajním případě atakovat hranici šesti procent.

 

c012-03 (png)

 

Ucelený systém ale nezapomíná ani na stavitelné výstrahy z pohledu podpětí či přepětí na vstupech i výstupech, nadproudů, výkonového přetížení nebo překročení přípustné teploty. S tím se budou rovněž pojit vývody WARN či SMBALERT, oba coby výstupy s otevřeným kolektorem, ovšem s odlišnou reakcí. Systém běžně hlásí maximální, ale také minimální hodnoty a výrobce pak hovoří o tzv. „peaks“ (platí pro obě napětí na vstupu i výstupu, proud, vstupní výkon a vnější teplotu) nebo též „valleys“ (totéž, jen bez výkonu). Za zmínku stojí rovněž jedinečné vlastní adresy, kterých může být s ohledem na sběrnici PMBus® až 128. Hned patnáct z nich lze rovnou definovat hardwarově, a to s pomocí dvou pinů ADDR0 + ADDR1, které vztáhneme buď k zemi, necháme plavat nebo zde dále zapojíme konkrétní rezistory. A vývojová deska? Ta s příznakem „coming soon“ nese označení EVAL_XDM700-1.

 

c012-04 (jpg)

 

Nechybí tu ani vestavěný zdroj 5 V, lineární stabilizátor, který lze na výstupu zatížit odběrem 10 mA. Oceníme jej třeba u nízkopříkonových periférií, které se pravděpodobně brzy najdou. A teplotní rozsah samotné součástky? Pro pořádek uvádíme klasických -40 °C až +125 °C, přičemž s vestavěným snímačem sledujeme teplotu až do +150 °C, resp. s přesností ±5 °C. Poplatně vnějšímu čidlu, konkrétně tranzistoru MMBT3904, ovšem z typických ±4 °C „vyšplháme“ s přesností až k ±12,5 °C. Zavedeme jej třeba k silovému MOSFETu, vřazenému do cesty mezi zdroj 48 V a zátěž, kde nám bude tranzistor hlídat.

 

Ochrana jako základ

S novými integrovanými obvody XDM700-1 z dílny Infineon Technologies ve výsledku roste i širší nabídka součástek skupiny XDP™, navržených nejen k samotnému dohledu, ale také přímo pro účely aktivního zásahu [4], kdy při požadavku na hodnověrná měření v reálném čase, stejně jako u monitorování či následného zprostředkování výstupů, výrobce vychází z platformy ochran XDP7xx.

 

Vývojáře budou v této souvislosti zřejmě zajímat digitální vratné elektronické pojistky eFuse (na podobné téma, tentokrát v režii firmy Nexperia, viz také [5]) nebo hot-swap kontroléry, zkráceně HSC (s odkazem třeba na [6]). Zvolená telemetrie či výstrahy většinou zůstávají, podobně jako předpoklady k průměrování výkonu či práci s energií (opět až 40 bitů), 1MHz sběrnice PMBus®, analogové rozhraní nebo např. vstupní napěťový rozsah 80 V. Rozdíl ale spočívá zejména ve funkci kontroléru s možností buzení polem řízeného tranzistoru, přičemž takový FET bude u pojistek přímo jejich součástí.

 

c012-05 (png)

 

Odkazy:

[1] Tisková zpráva, https://www.infineon.com/market-news/2026/infpss202603-071

[2] Sledování základních veličin v zapojení? Obvody XDM700-1 využijí obou světů, https://www.dps-az.cz/zpravy/id:104876/sledovani-zakladnich-velicin-v-zapojeni-obvody-xdm700-1-vyuziji-obou-svetu

[3] Obvody XDM700-1, https://www.infineon.com/part/XDM700-1

[4] XDP Monitoring ICs Product Presentation, https://www.infineon.com/assets/row/public/documents/24/156/xdp-monitoring-ic-xdm700-product-presentation.pdf

[5] eFuse to jistí. Nexperia dá na výběr, https://www.dps-az.cz/clanky/id:101425/efuse-to-jisti-nexperia-da-na-vyber

[6] S novými ASFETy Nexperia se připojuje za chodu, https://www.dps-az.cz/zpravy/id:91602/s-novymi-asfety-nexperia-se-pripojuje-za-chodu

 

robenek@dps-az.cz