česky english Vítejte, dnes je neděle 07. prosinec 2025

Kabeláž bez rušení

DPS 5/2022 | Články
Autor: Martin Tenhumberg, Werner Wölfle, Traco Power
uvod.jpg

Dlouhé kabely vedoucí k prostorově rozmístěným zátěžím mohou vyzařovat rušení a mohou také být citlivé na rušení, které může připojené zátěže ovlivňovat. Při dodržení několika základních zásad týkajících se kabeláže však zátěže pracují bez závad.

Moderní zařízení a systémy jsou obecně složité, jejich elektrické/ elektronické součásti jsou modulární a jsou také často prostorově rozložené. Z toho důvodu je třeba s vlivem kabeláže a dlouhých vedení počítat. Čím větší je prostorové rozložení, tím větší jsou výsledné vlivy.

V takových systémech se určité podmínky uplatní zejména u napájecích zdrojů. Je třeba se vyvarovat například vzájemného elektromagnetického rušení prostřednictvím induktivní a kapacitní vazby, stejně jako vzájemných jevů mezi zátěžemi. Kromě toho je charakteristika výstupního napětí AC/DC zdroje nebo DC/DC měniče často neslučitelná s charakteristikou zátěže. Také je třeba zvážit pravděpodobnost vzniku závady systému, kdy se může modulární rozložení zdrojů projevit.

Rozložené napájení

O rozloženém napájení hovoříme tehdy, pokud je centrálně řešeno napájení rozložených zátěží v rámci jedné budovy, továrny, systému nebo velkého zařízení. K příkladům takového uspořádání patří osvětlení, automatické dveře a okna v domech, bytech, průmyslových podnicích nebo složitých systémech. Takové systémy obvykle vytvářejí neškodný stejnosměrný proud s centrálním zdrojem nízkého napětí, které je následně distribuováno do připojených zátěží, někdy přes dlouhá vedení. V mnoha případech takový způsob znamená redukci rozsahu kabeláže a administrativních nákladů. Vzhledem k nízkému napětí a nízkým velikostem zkratových proudů jsou i nároky na izolaci a průřezy nižší, a kabeláž tak vychází ekonomicky příznivěji. Například jediný napájecí zdroj bývá obvykle úspornějším řešením než zdrojů několik při stejné kapacitě.

Napájecí zdroje musí splňovat zákonné limity pro vyzařované rušení, a zejména vysokofrekvenční rušení po napájecích přívodech. Pro výstupní kabeláž však zákonné nařízení pro maximální hodnoty rušení neexistují. Za zajištění odrušení je tudíž zodpovědný sám uživatel. U kompaktních zařízení toto není problémem, pokud je ale výstupní napětí rozváděno k zátěžím prostřednictvím dlouhých kabelů, není možné tuto situaci ignorovat a je třeba ji řešit. Traco Power proto nabízí napájecí zdroje, které jsou vybaveny filtračními obvody jmenovitě pro odrušení výstupních kabelů podobně jako pro filtraci síťového rušení na straně vstupní. Na základě tohoto přístupu je dosaženo shody s normami EN 55022 (komunikační porty) a EN 55014-1 (domácí spotřebiče).

Jak předejít poruchám

Dlouhé přívody k prostorově rozmístěným stejnosměrným zátěžím mohou nejen vyzařovat, ale také pohlcovat rušení, protože fungují obousměrně jako antény. Takové vyzařované rušení může vyvolat rušicí napětí a proud v přívodech k zátěži, které následně může zapříčinit poruchy v připojených zátěžích. Abychom snížili požadavky na filtraci u zařízení a zátěží na minimum, je třeba dodržet několik důležitých pravidel. Přívody by například neměly být vedeny v dlouhých úsecích souběžně s kabely nesoucími velké proudy nebo silně kolísající proudy.

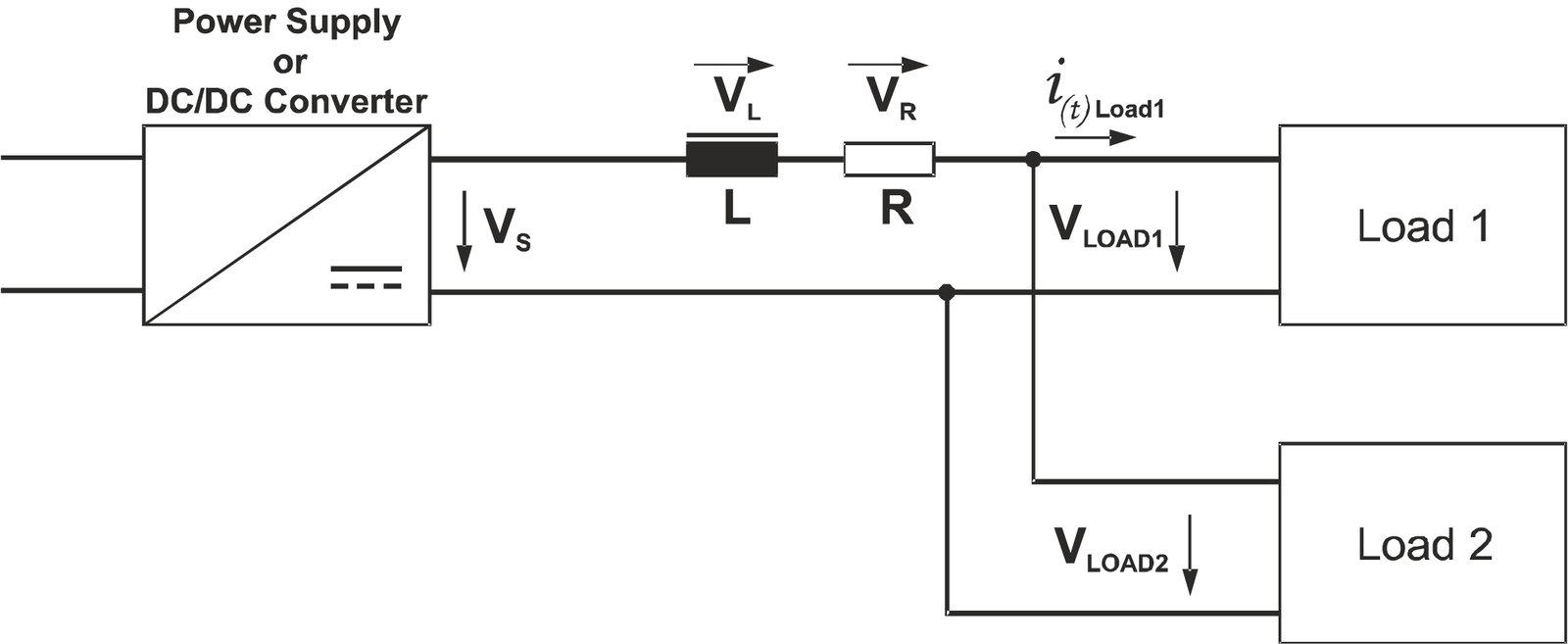
Rušení na přívodech vyzařované z jedné připojené zátěže ovlivňující zátěž další může rovněž vést k poruchám. Ve zjednodušeném náhradním schématu obvodu přívodu se objeví ohmický odpor a induktivní reaktance. Pokud například jsou k takovému přívodu připojeny zátěže dvě a v obvodu první z nich nastane rychlá změna, dojde k ohmickému a induktivnímu úbytku na přívodu. Vzniklé indukované napětí působí takovým způsobem, že se snaží udržet předchozí stav. To však může způsobit vznik velmi vysoké napěťové špičky na vstupním napětí pro druhou zátěž a přivodit poruchu zařízení.

Indukčnost vedení lze snížit zkroucením vodičů a zajistit tak snížený výskyt rušivých napěťových špiček. Pokud je průřez vodičů dostatečný, lze ohmické úbytky obvykle zanedbat. Tento problém zcela řeší hvězdicové připojení zátěží ke zdroji, protože takový způsob brání jakémukoli vzájemnému ovlivňování způsobenému změnami zátěže.

Obr. 1  Současné napájení dvou zátěží přes sdílený kabel s ohmickou a induktivní impedancí může způsobovat rušení

Obr. 2a  Skoková změna hodnoty zátěže způsobená první zátěží

Obr. 2b  Vstupní napětí druhé zátěže při výskytu skokové změny první zátěže

 

Rušivé zemní smyčky

Rušení také často vzniká ve zdroji, řídicích a snímacích vedeních působením tzv. zemních smyček. Výraz má svůj původ v době elektronkových rozhlasových přijímačů. Tento druh chyby kabeláže se projevoval jako brum v reproduktoru. K tomuto jevu docházelo u stejnosměrných zátěží připojených k napájecímu zdroji umístěnému v jiné místnosti než zátěž prostřednictvím dlouhých přívodů. Nulové vodiče střídavé napájecí sítě jsou typicky uzemněny jak na straně napájecího zdroje, tak na straně zátěže v souladu s instalačním návodem. Uzemnění bezpečného napětí je zcela obvyklé v průmyslu k zajištění bezpečného odpojení vybavením pojistky v případě poruchy, kdy vzniknou nebezpečná napětí na kabeláži SELV (Safe Extra-Low-Voltage).

Nevýhodou tohoto ochranného opatření je existence dvou sdílených zpětných vodičů zapojených paralelně. Proudy jsou rozděleny v poměru odporu vodičů. To může, mimo jiné, způsobit relativně vysokou hodnotu střídavého proudu tekoucího do zpětného vodiče, který je však určen jedině k přenosu stejnosměrného proudu. Tento proud může způsobovat výkyvy napětí, které mohou zapříčinit poruchu zátěže. Z tohoto důvodu je třeba se těmto zemním smyčkám vyhnout jednobodovým zemněním nebo zajištěním galvanického oddělení pomocí místních DC/DC měničů.

Pokud budeme počítat s těmito možnými zdroji problémů s kabeláží, je možné ekonomicky realizovat vícenásobné rozložené zátěže napájené z jediného napájecího zdroje i přes dlouhé kabely. Napájení prostorově rozložených zátěží bez rušení možné je, ale samozřejmě vyžaduje, abychom přijali několik preventivních opatření.

Obr. 3  U hvězdicového uspořádání jsou všechny zátěže připojeny ke zdroji v jeho blízkosti

 

Obr. 4  Stejnosměrná zátěž je připojena ke zdroji dlouhým kabelem. Nulové vodiče napájecí sítě jsou typicky uzemněny jak u zdroje, tak u zátěže v souladu s instalačním návodem