česky english Vítejte, dnes je čtvrtek 11. prosinec 2025

Požadavky se mění, měniče zůstávají. V autě spínejte s A6983

DPS 5/2024 | Články
Autor: Ing. Jan Robenek
požadavky se mění_úvod WEB.jpg

Drobné spínané měniče provozované v automobilech mohou nabývat různých podob a vykazovat přitom odlišné vlastnosti. A to i v případě, že v nich pokaždé najdeme obvody A6983.

Spotřeba, ale i rušení

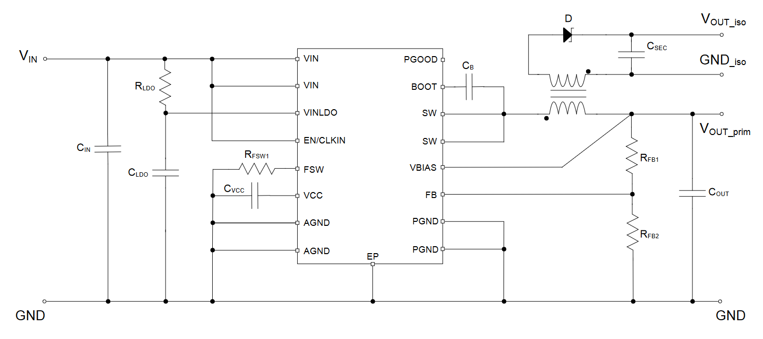
S novými synchronně snižujícími DC/DC měniči, navrženými speciálně pro potřeby automobilového průmyslu a jeho palubní elektroniky, audiosystémů či střídačů a souvisejícího buzení hradel, přišla v květnu společnost STMicroelectronics. Prvky skupiny A6983 zde v prvé řadě skloňují flexibilitu a pro zmíněné účely nabídnou hned šest různých „step-down“ verzí bez předpokladů pro galvanické oddělování. Výrobce tak může z pohledu spotřeby energie či rušivých projevů zdroje pracovat s režimy LCM (Low Consumption Mode), stejně jako LNM (Low Noise Mode). K tomu si dále přičtěte izolovanou verzi A6983I. Díky kompenzačním obvodům, které se nachází rovnou na čipu, proto zmíněné monolitické součástky s vysokou mírou integrace vyžadují pouze minimum vnějších prvků, zejména pokud jde o filtraci, zpětnou vazbu a v případě varianty A6983I snad i transformátor.

Neizolované měniče A6983 vykryjí proudové odběry o velikosti až tři ampéry, zatímco budou při plném zatěžování obvykle dosahovat účinnosti 88 %. Varianty s nízkou spotřebou (A6983C) zde přitom byly optimalizovány k činnosti s lehkým zatěžováním. Nabídnou zvýšenou efektivitu, řízené zvlnění výstupního napětí a v zapojeních, která zůstávají aktivní třeba i během parkování, tak pomáhají šetřit baterii vozidla. Verze A6983N s nízkým rušením pracují s pevnou spínací frekvencí a uplatní se v zapojeních typických pro napájení audiosystémů. U obou typů měničů lze dále vybírat mezi napětím 3,3 V, 5,0 V a třeba též možností stavitelného výstupu v rozmezí od 0,85 V až do VIN. V případě integrovaných obvodů A6983I již máme co do činění s desetiwattovým konvertorem „iso-buck“, kde k samotné regulaci dochází z principu rovnou na primární straně, takže se v návrhu ještě s výhodou vyhneme problematickým optočlenům. Měniče se budou hodit při buzení hradel tranzistorů IGBT či MOSFETů na bázi karbidu křemíku v trakčních střídačích, u palubních nabíječek OBC apod. Struktura zde umožňuje přesně definovat primární výstupní napětí, zatímco poměry na odděleném sekundáru nám již stanovuje poměr závitů použitého transformátoru – přesně jak to plyne z přiložené ukázky typického zapojení.

Veškeré verze, ať již izolované, nebo i bez podpory ze strany galvanického oddělení, se pyšní nízkou klidovou spotřebou 25 µA, resp. režimem Shutdown, ve kterém proudový odběr dále klesne na méně než 2 µA. Spolehlivé činnosti navzdory přechodovým jevům na hlavním rozvodu napájení nahrává i přípustný rozsah vstupního napětí od 3,5 V do 38 V s tolerancí ještě pro 40 V. Chybět zde pochopitelně nesmí ani přepěťová ochrana, teplotní pojistka či vlastní řešení pro měkký start. Volitelný provoz v rozprostřeném spektru pomáhá u citlivých zapojení snižovat nežádoucí elektromagnetické rušení EMI, zatímco posloupnosti napájení zase vyřešíme cestou vývodu „Power Good“. S oběma obvody se rovněž pojí možnost synchronizace s vnějším taktem. Měniče jsou k dispozici v pouzdrech typu QFN16 o velikosti 3 x 3 mm, jejichž cena při odběru jednoho tisíce kusů začíná na 1,75, resp. 1,81 dolaru (A6983I). Potěší též volně dostupné vzorky či vývojové desky.

Odkazy:

[1] https://newsroom.st.com/media-center/press-item.html/n4628.html