V súčasnosti existuje na svete takmer nekonečné množstvo obvodov používajúcich integrované obvody alebo takých, ktoré sú zostavené z diskrétnych súčiastok. Často je v katalógových listoch uvedené takmer všetko o ich vlastnostiach, ale nie vždy aj ich použitie v praxi.
Z tohto dôvodu som sa rozhodol podeliť sa s čitateľmi časopisu DPS Elektronika od A do Z so svojimi poznatkami a skúsenosťami z tejto oblasti a postupne uverejňovať informácie o zaujímavých IO a ich zapojeniach.

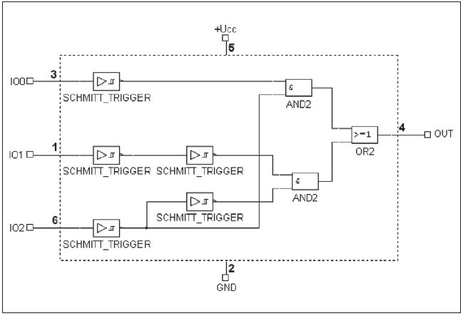
Obr. 1 Obvod SN74LVC1G57
Je to konfigurovateľné multifunkčné hradlo, ktoré umožňuje zmenou schémy zapojenia vytvárať rôzne typy hradiel a s použitím ďalších obvodov realizovať rôzne obvody na zmenu tvaru vstupného signálu. Vnútorná schéma zapojenia je na obrázku č. 1.

Obr. 2 Hradlo AND

Obr. 3 Hradlo NAND

Obr. 4 NAND

Obr. 5 Hradlo NOR
Kombináciou zapojenia vstupov môžeme realizovať základné hradlá: dvojvstupové hradlo AND – obrázok 2, dvojvstupové hradlo NAND s invertujúcim vstupom A – obr. 3, dvojvstupové hradlo NAND s invertujúcim vstupom B – obr. 4, dvojvstupové hradlo NOR – obr. 5 a dvojvstupové hradlo EXNOR.

Obr. 6 Hradlo EXNOR

Obr. 7 Preklápanie obvodu v hornej a dolnej úrovni
Pripojením vonkajších LIO môžeme rozšíriť použitie obvodu na realizáciu OR a EXOR. Myslím si, že schémy zapojenia netreba uvádzať. Spojením integračného obvodu a IO SN74LVC1G57 sa ešte viac rozšíria jeho funkcie. Využíva sa preklápanie obvodu v hornej a dolnej rozhodovacej úrovni tak, ako je to zobrazené na obr. 7.
Zvislé prerušované čiary (dve modré a po jednej červenej a zelenej) sú použité pri priebehoch vstupného a výstupného signálu jednotlivých zapojení.

Obr. 8

Obr. 9

Obr. 10

Obr. 11
Na obr. 8 je obvod, ktorý oneskoruje nábežnú hranu výstupného impulzu voči vstupnému impulzu. Zostupná hrana výstupného signálu je totožná s nábežnou hranou vstupného signálu. Tento obvod skracuje dĺžku vstupného signálu. Na obr. 9 je obvod, ktorý oneskoruje zostupnú hranu impulzu voči vstupnému signálu. Nábežná hrana výstupného signálu je totožná s nábežnou hranou vstupného signálu. Tento obvod predlžuje dĺžku výstupného signálu. Výstupný signál je invertovaný voči vstupnému signálu. Na obr. 10 je obvod, ktorý po ukončení nábežnej hrany vstupného impulzu vyrobí impulz invertovaný voči vstupnému. Na obr. 11 je obvod, ktorý po skončení nábežnej hrany vstupného impulzu vyrobí na výstupe impulz invertovaný voči vstupnému. Na obr. 12 je obvod, ktorý generuje výstupný impulz po skončení nábežnej hrany aj po skončení zostupnej hrany vstupného impulzu. Obidva impulzy sú invertované voči vstupnému signálu. Na obr. 13 je obvod, ktorý je hradlovaným generátorom signálu. Impulzy sú generované iba vtedy, keď vstupný impulz má nízku úroveň.

Obr. 12

Obr. 13
Pri realizácii všetkých obvodov je potrebné voliť časovú konštantu integračného obvodu podľa toho, aké dĺžky impulzov potrebujeme. Pri napájaní z generátora impulzov s frekvenciou 1 kHz, pomer impulz – medzera 1:1, amplitúda 5 V je vhodný odpor rezistora rádovo desiatky kΩ a kapacita kondenzátora rádovo desiatky nF.
Tento obvod vyrábajú aj iné firmy pod rôznymi označeniami, napríklad ON Semiconductor používa označenie NL7SZxx a NLX1Gxx, kde xx znamená dvojčíslie určujúce počet funkcií, ktoré obvod vykonáva. Obvod označený číslom 57 a 58 vykonáva 7 funkcií, 97 a 98 9 funkcií a 99 15 funkcií. Opísané obvody majú podrobné katalógové listy na svojich firemných stránkach.
Opísaný obvod je skutočne univerzálnym obvodom, ktorý dokáže návrhárom obvodov ušetriť prácu pri realizácii rôznych obvodov. Spojením s inými obvodmi sa dajú urobiť zaujímavé zapojenia, ktoré sú však nad rámec tohto článku.