Obvod LTC3649 je monolitickým snižujícím (step-down) měničem pracujícím se vstupním napěťovým rozsahem od 3,1 V až do 60 V. K definici výstupního napětí využívá služeb jediného rezistoru a účinně přitom do zátěže dodává proud o velikosti až 4 A. Již to samo o sobě z něj činí vhodného kandidáta na pozici zdroje v průmyslových systémech či automobilovém sektoru, kde na výstupu uvažujeme napětí od VIN – 0,5 V až k nule. Jeho jedinečnost však bude spočívat ve schopnosti zajistit při výpadku napájení pro klíčové systémy, a to bez jakýchkoli dodatečných součástek.
Pokud hlavní zdroj napájení selže, energii stěžejním systémům dodají pomocné udržovací obvody (hold-up) a umožní jim tak během krátké doby, než se dostupné zásoby vyčerpají, provádět důležité úlohy, např. zápis dat. Obvyklé řešení bude proto stavět na speciálních kontrolérech společně s velkými záložními kondenzátory [1, 2], čímž se v případě potřeby dostatečného výkonu dostupného po značnou dobu postaráme též o dodatečné náklady včetně složitějšího řešení. Pokud se však spokojíme s docela menší energií záložního zdroje, může takovou funkci snadno a bez jakýchkoli dalších obvodů vykonávat právě LTC3649.
Měnič se dvěma výstupy, který zde popisujeme, bude za normálních provozních podmínek pracovat jako klasický snižující zdroj napájení. Při výpadku se však zdrojem energie stává měnič samotný a pro klíčové obvody tak zajišťuje nastavené výstupní napětí. Aby to bylo možné, stane se z U1 při odpojení vstupního napětí zvyšující měnič, který pro zajištění záložní energie vybíjí svou výstupní kapacitu.
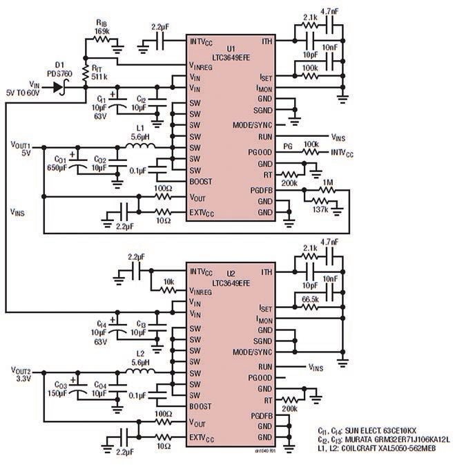
Záložní řešení postavené na obvodech LTC3649 vidíme na obr. 1. Měnič realizovaný díky U1 (zdroj A) je za normálních podmínek napájen z nestabilizovaného vstupu VIN (VINS za blokovací diodou). Zapojení pracuje ve snižujícím režimu a na VOUT1 zajišťuje stabilní napětí 5 V. VINS dále vedeme do druhého měniče vystavěného s U2 (zdroj B), který klíčové zátěži na výstupu VOUT2 dodává 3,3 V. Při výpadku VIN vstupuje zdroj A do zvyšujícího režimu a vybíjením svých výstupních filtračních kondenzátorů CO1 a CO2 udržuje nastavené výstupní napětí (VINS). O definici této napěťové úrovně se starají rezistory RIT a RIB. Signál PGOOD (PG) zajišťovaný obvodem U1 může ztrátu napájení oznámit systémům, které mohou odpojit méně důležité části a šetřit přitom energií. Vývod MODE/SYNC zůstane nezapojený a umožní tak obvodu LTC3649 vstoupit do zvyšujícího režimu.
 s výstupním napětím 5 V.jpg)
Obr. 1 Měnič (U1) s výstupním napětím 5 V zajišťuje záložní zdroj napájení chráněné zátěži na 3,3V výstupu (U2). Povšimněte si, že vývod MODE/SYNC obvodu U1 zůstává nezapojený a umožňuje tak prvkům LTC3649 vstoupit do zvyšujícího režimu
Na obr. 2 vidíme, k čemu v případě obvodů LTC3649 dochází ve zvyšujícím režimu. Prvních 7 ms záznamu budou veškerá napětí stabilní. Pak se přeruší napájení a jak VIN, tak též VINS začnou klesat. Jakmile VINS dosáhne 8 V, zůstane na této úrovni a signál PG změní svůj stav, čímž oznamuje začínající potíže s VOUT1. Na 8 V přitom VINS setrvá tak dlouho, jak mu to jen kapacity CO1 a CO2 dovolí. Napětí VOUT2 zůstává během celého procesu neměnné a stěžejní zátěži tak zajišťuje stabilní napájení ještě dlouho poté, co došlo k výpadku. Model LTspice® tohoto obvodu je k dispozici na webu www.linear.com ([3], nyní již přesměrováno na stránky Analog Devices – pozn. překl.).

Obr. 2 Klesne-li vstupní napětí VIN, zvyšuje měnič U1 VOUT1, tak aby udržel VINS na úrovni 8 V. VINS tak vytváří zdroj pro udržení stabilního napětí VOUT2 po dobu 20 ms od poklesu VIN
Obvod LTC3649 je monolitickým snižujícím měničem s vestavěnými výkonovými MOSFETy. Pracuje účinně a s nízkou klidovou spotřebou, což oceníme v řadě bateriově napájených systémů. Jeho všestrannost dokládá též stavitelný kmitočet, široký rozsah vstupního napětí až do 60 V nebo rozsah výstupního napětí dosahující až k nule. A pomůže také zjednodušit návrh zdrojů napájení do průmyslových aplikací či automobilového sektoru, zvláště pokud vezmeme v potaz jeho vlastní schopnost řešit záložní dodávku energie. Dokumentaci si můžete stáhnout z webových stránek www.linear.com/LTC3649.
[1] LTC3110 - 2A Bidirectional Buck-Boost DC/DC Regulator and Charger/Balancer, http://www.linear.com/product/LTC3110
[2] LTC3643 - 2A Bidirectional Power Backup Supply, http://www.linear.com/product/LTC3643